配意が決まったら次はシャーシーの穴開けである。アルミとはいえ相手は金属なので、そこそこに肉体労働である。今回使ったシャシーは、横250mm、縦130mm、高さ60mmで、0.8mm厚のアルミ製のもっともシンプルな(チャチな)ものを使った。この0.8mmのアルミは強度的にほぼ最低限の厚さだが、これくらいなら自力で穴を開けるのもそれほど厄介ではない。しかし、これが、1mmの鉄だったり、3mmのアルミだったりすると、労役に近い大変さで、かなりしっかりした工具をそろえないと辛過ぎる。その場合、図面を引いて金工屋さんに頼んでしまう方がラクであろう。
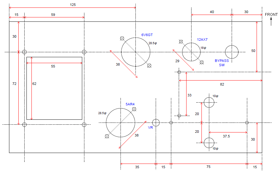
以下に今回の穴あけ図面を載せておいた。ただし、これは私が集めてきた部品にしたがって開けている穴なので、部品によっては異なる場合があるので確認して使っていただきたい。なお、これらはシャーシーの表から見た図である。

|
| 前面パネル |

|
| 上面 |

|
| 背面パネル |
上記の穴あけ図面は、調達してきた部品によって異なるサイズになるところについては寸法を書いていない。たとえば電源スイッチの穴の直径などはものによって異なるので現物を確認して寸法を決めて欲しい。トランスや真空管の穴サイズについては指定品ならばまず大丈夫なので寸法を記載している。ただ、これも念のため現物を測って確認して欲しい。
それから、穴あけの参考図面として利用できるように一応、上記図面のpdfファイルをココに置いておく。
工具をそろえる
まず何は無くともドリル
である。手動と電動があるが、さすがに電動の方が楽だ(当たり前だが)。さらにボール盤という電動ドリルを固定する機構のあるものだと、かなり正確に楽にあけることができる。真空管アンプで使うネジは、ほとんどが直径3mmで、ときどき4mmである。これはネジの径なので、ネジ穴はこれより若干大きめで、ふつう3.2mm(あるいは3.5mm)と4.5mmを使う。これらも含めて色々な太さのドリルの刃(私が使っているのは1mm〜6.5mmの13本セット)がセットで売っているので買っておくと便利だ。

|
| ヤスリとシャーシーリーマー |
ケガキ針
はシャーシーの上に加工のための線を引くためのものである。別に専用のケガキ針を買わずとも、先が鋭くとがったものなら、目打ちみたいなものでも代用でる(もっとも金属を相手にするので、先が減って、しまいには目打ちとして役に立たなくなるかもしれない)。当然ながらケガキで線を引くための定規が必要だ。それから
コンパス
も必要だ。真空管の穴など、けっこう大きな丸穴を開けるときにシャーシに印をつけるためである。
センターポンチ
は、ドリルで穴を開ける中心位置に印をつけるためのものである。ドリル穴の中心に金づちで打ち込んで小さな凹みをつけ、ドリルの刃を凹みに合わせ、中心から外れてしまわないように開けるのである。
ヤスリ
は必須である。開けた穴のふちを削ってきれいにするためだ。あける穴には、丸穴と角穴があるので、ヤスリの方も平らな「平ヤスリ」と、丸い「丸ヤスリり」が必要である。私は、半分が平ヤスリで反対側の半分が丸ヤスリの「平丸ヤスリ」一本ですべてまかなっている。
シャーシーリーマー
はあった方がいいと思う。ドリルで開けられる穴の最大はふつう6.5mmぐらいだが、ボリュームの軸穴とか、ヒューズホルダの穴とか、もちろん真空管ソケットの穴もだいたい6.5mmより大きい丸穴である。リーマーを使うと、ドリルで開けた6.5mmの穴を、30mmぐらいまで自在に広げることができる。

|
| ピンセット、ドライバー、ラジオペンチ、ニッパー |
ニッパー
、
ペンチ
は電子工作には普通に使う必須アイテムだが、シャーシー加工にも使う。
穴あけ工作
それでは工具がそろったところで加工を始めよう。まずは、定規とケガキとコンパスでシャーシーの上に穴あけの図を描いて行く。ケガキで表面に傷をつける方法では、その傷はそのまま残ってしまうので、これが嫌な場合は、金属に描けて消せる鉛筆を使ったり、原寸大にプリントアウトした紙をシャーシーに貼り付けて、その上から穴あけする方法などがある。
まず、ドリルで穴を開ける中心に、ポンチをハンマーで叩いて凹みを付けて行く。そしてドリルで穴あけである。まず3.2mmの刃をつけて、片っ端から全部開けてしまう。3.2mm以上の大きさの穴のところも同じく3.2mmで開ける。そして、3.2mmの穴が開いているところに、おもむろに、例えば4.5mmの刃で穴を広げるようにするのである。これは、最初から径の大きい刃で開けると、ちょっとした力の加減で中心がずれることがあるからだ。3.2mmの穴も、最初1.5mmぐらいから始めるともっと確実である。ボール盤のようにドリルがしっかり固定できる場合はこの限りではないが、ハンドドリルでは、こうやった方がいいと思う。

|
| バリの簡単な取り方 |
穴を開けたときに、主に裏側の淵にできる金属クズを「バリ」などと言う。これはそのままにしておくと、あとでクズとなってシャーシーの中をさまよい、最悪、配線のどこかに引っかかってショートを起こすなど危険なので取り除かないといけない。ヤスリで削り取ってもいいが、3mmや4mmの穴ではいい方法がある。図のように、バリの出ているところに径の大きい、例えば6.5mmのドリルの刃を当て、手でグリグリと回してやることで簡単に取り除くことができる。
真空管ソケットやボリュームなどの大きな丸穴を開けるには、前に紹介したリーマーで、中心のドリル穴を広げて開けるのが一般的だ。丸穴はこれでいいが、トランスのでかい角穴になると、次の方法が原始的だがよく使われる。次の図のように3mmぐらいの穴を円周に沿ってひたすら並べてたくさん開け、それらの穴をニッパーでつなげて一周し、真ん中をボコッと抜いてしまう方法である。この方法だと、原理的にどんなに大きな穴でも開けられることになるが、けっこう重労働なのが難点だ。もちろん開けた穴は淵がギザギザなのでヤスリでひたすら削って滑らかにする。

|
| 大穴の開け方 |
もちろん世の中には便利な道具があって、こんな原始的な方法でなくとも大穴を明けられる「ニブリングツール」とか「シャシーパンチ」とかいうものもある。これらの購入は財政状況しだいであろう。
さて、シャーシーの穴あけが済んだ。まあ、出来上がってみると、なかなかの達成感である。とはいえ、私はいまだにこの穴あけは疲れるのでイヤだ。とはいえ、イヤとも言っていられないので仕方ないのでやっている。
このあと、このまま使うのか、あるいは塗層するのか、などは好みである。だいたい、こうやって原始的な方法で加工したアルミシャーシーは、ケガキの痕も残っているし、ドリルやヤスリの手が滑った痕とか、表面がけっこう傷だらけであろう。これも味のうち、として使うもよし、塗層するのもよし、である。
あまり参考にならないと思うが、私がしょっちゅうやっている手抜きの方法を紹介する。水に濡らしながら、水ヤスリ(目の細かい紙ヤスリ)で満遍なくこするのである。穴を開けた後にこうすると、自然なムラのある、ちょっとワイルドな感じのつや消しの表面ができるのだ。しかも、非常に簡単で労力最小限なので、最近はもっぱらこれを使っている。
もっとも、ギターアンプヘッドなのだから、本来は全体をなんらかのキャビネットに収めるのが筋というものだろう。この辺は好きなようにやっていただきたい。

|
| 穴あけの済んだシャーシー |
部品を取り付ける

|
| ネジどめの方法 |
穴が開いたらやっぱり部品をつけて、どんなルックスになるのか見てみたくなるのが人情と言うもの。とりあえず、全部くっつけてみよう。取り付けに必要な工具は、説明するまでもないが、ドライバーとラジオペンチがあれば十分だ。最近では、ドライバーの8本セットだって100円ショップで買えてしまうので、いい時代である。まあ、安かろう悪かろうであることは確かだが、安さにはかなわない。
ちなみに、ドライバーなどは100円ショップでいいが、実は、ドリルの刃やヤスリ、といった刃物系は100円ショップものは切れが悪く、あまりお勧めしない。刃物系は少し高くても専門店で買ったほうが後々作業がやりやすいし、長持ちするし、かえってお得だと思う。
さて、部品は、図のようにネジとナットとスプリングワッシャーで止める。トランスだけは4mmのネジを使っているが、あとはすべて3mmである。スプリングワッシャーは、年月がたったときにネジが緩まないようにするためのもので、すべてに使った方がいいだろう。