
![]() |
3極管電力増幅回路 |
電力増幅回路の設計
さて、今度はいよいよメインイベントの出力段の設計である。ここまでの説明では、先に電圧増幅を説明したが、実際にアンプを設計するときは、この電力増幅段の設計を先にするのが普通である。また、電力増幅には、原理編でも説明したように、シングルとプッシュプルがある。まずシングルから先に説明することにしよう。
原理編で説明したように、実際には電力増幅と電圧増幅にそれほど大きな違いはない。回路上で一番違うのが、負荷抵抗の代わりにトランスが使われるところである。そのため、ロードラインの引き方がいくらか変わる。
電圧増幅の設計のときと同じく、一番確実な方法はメーカー推奨設計値を使うことである。さっきは、電力増幅も電圧増幅もあまり変らないと書いたが、原理は確かにあまり変らないのだが、実際に球に電流を流して電力を搾り出そうとすると色々なことがからんできて、実は電圧増幅よりは一筋縄で行かないものなのである。
こんなときメーカー推奨値は非常によいリファレンスになるので、特に電力増幅ではまずはこれを元にして考えることをお勧めする。電力増幅用に開発された球であれば、1つや2つのA級シングルの動作例は規格表に載っている。加えて、AB級プッシュプルの動作点などもたいてい載っている。この場合、電源電圧が動作例に載っているお仕着せになるので、まず出力段の定数を決めてしまい、それを元に電源回路や、電圧増幅段などの全体設計をして行くことになる。
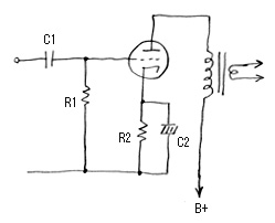
しかし、適当なメーカー推奨動作例が無いときは、もちろん自分で動作点を見出すことになる。ここの章では、まず3極管の6EM7を例にとって、上の図のようなシングル電力増幅回路を、規格表に載っているEp-Ip特性から動作点を求めて設計する方法を紹介しよう。なお、この6EM7は元々はテレビの垂直増幅用の球でオーディオ用ではないが、今ではよくオーディオ用として使われたりするようである。
ロードラインとプレート損失
以前の電圧増幅のときは、まず負荷抵抗の値を適当なところに決めた。電力増幅の場合、ふつう、電源電圧を決め、使おうとする球をその電源電圧で駆動したときに最大の出力電力が得られるように設計する。
電力増幅では、上に載せた図のようにプレートにトランスが入っている。トランスの1次巻き線の直流抵抗は100Ωのオーダーで小さいので、電源電圧がそのままプレートにかかると考えてしまって構わない(実際は数Vていど低くなるが)。
まず、規格表に載っている最大プレート電圧を超えない値に電源電圧を決める。6EM7の最大プレート電圧は規格表より330Vである。いま、電源電圧をちょっと低めの200Vにしてみよう。そうすると、次の図のように、電源電圧のところに縦線が引け、これと曲線群の交点がバイアスになり、どの交点を使うか決める、という問題になる。
![]() |
| 6EM7電力増幅の負荷抵抗5kΩのロードライン |
PD = Ip0 ・ Ep0 …(1式)
これは、要はプレートで消費される電力で、6EM7では10Wである。つまり10Wの電熱器のようなもので、この限界を超えると真空管が熱くなりすぎ、寿命が短くなったり、さらには破壊するわけである。上記の例では電源電圧Ep0=200Vで、PD=10Wなので、許される最大プレート電流Ip0は
Ip0 = PD / Ep0 = 10 / 200 = 0.05(A) = 50(mA) …(2式)このように50mAになる。つまりバイアス点は、プレート電流が50mA以下になるように決めなくてはいけない。上のロードラインの図で言うと、点線で描いた曲線が、6EM7のプレート損失10Wの限界になり、バイアス点は必ずこの曲線より下に来るように決めなくてはいけない。
epm ipm epm ・ ipm 272 ・ 56×10-3
Po = ----- ・ ------ = --------- = -------------- = 1.9W …(3式)
2√2 2√2 8 8
実効値はp-p値の1/2√2 なので、結局上のように、最大電力はepmとipmをかけたものの1/8になる。ここでは1.9Wの電力が得られることが分かる。
動作点をどのように決めるか
上記では電源電圧と負荷抵抗とバイアスを一方的に決めてみたが、どんな根拠で決めているのだろうか。
実際には、電源電圧と負荷抵抗とバイアスの組み合わせは無数にあって、ロードラインをあれこれ引きながら、電力がたくさん取れ、なおかつ歪が少なそうな組み合わせを探す、という作業になる。歪については、電圧増幅のときと同じくバイアス点を基準にしてp-pの信号が非対称になる度合いが少なくなるように考える。結局は、設計において何を優先するかで決まるので、こうじゃないといけない、という規則はない、自由である。
よく、ただひたすら最大電力が大きくなるようにがんばっているのがあるが、実用上それが重要ともあまり思われない。3ワットがやっとなちっぽけな球から5ワット取り出せる動作点が見つかったところで、狭い部屋でボリューム10で聞くわけでもなく意味もなかったりする。それに、パワーを搾り出すと、ふつう歪みは大きくなる。さらに球に無理をさせることになり、いくら最大プレート損失ぎりぎり超えなかったとしても球の寿命は短くなる、など、あまりいいこともない。
一方、ギターアンプのときはパワーが大きけりゃでかい音が出ていいじゃないか、とも思うかもしれない。しかし最近はそれよりもオーバードライブしたときどれぐらい心地よいクランチが得られるか、といったことが言われることが多かったりして、そうすると球の動作点にごきげんなスイートスポットがありそうな感じである。こうなっちゃうと球の動作点は設計法とかで論理的に決まるんじゃなくて、その人の経験とカンで決まることになりそうで、まるで料理の名人の味付けみたいな話になってくる。
そんなこんなで、結局は決め手はないのだが、それだけに個性も出るし、遊べる、と考えて、いろいろ冒険してみたらいかがだろう。
ここで、一点だけ注意することは、プレート電圧やプレート損失やプレート電流の最大定格は守ることぐらいだろう(もっとも、ギターアンプの人たちは時にこれも守らなかったりする)
それにしても、おおざっぱな目安というものはあり、3極管の場合、最大出力と歪を考慮に入れると最適負荷は、規格表に載っている真空管の内部抵抗の2、3倍ぐらいになる。たとえば、6EM7は内部抵抗が750Ωとなっているので、その2倍の1.5kΩにしてみよう。1.5kΩでプレート損失10Wのぎりぎりでロードラインを引くと次の図のようになる。
![]() |
| 6EM7電力増幅の負荷抵抗1.5kΩのロードライン |
epm ・ ipm 185 ・ 135×10-3
Po = ----------- = ----------------- = 3.1W …(4式)
8 8
このように3.1Wになる。さっきは1.9Wだったからおよそ1.5倍である。ぎりぎりまで搾り出すとこれぐらいの出力が出る計算になるわけだ。ただ、ロードラインを見ても分かるが、バイアス点に対してかなり非対称になっているので、歪はかなり大きくなり、この動作点はあまり現実的ではない。それから、市販のシングル用のトランスは1次側インピーダンス値の選択肢はあまりないので、最終的には近い値のトランスを選び、ロードライン引き直しなどの試行錯誤が入る。
33V
R2 = ------- = 825Ω …(5式)
40mA
となり、近い値の抵抗値を取って820Ωと決定できる。このとき、カソードの電圧は33Vでかさ上げされていて、その分だけプレート電圧が相対的に減ったことになるので、設計値と同じ動作にするために電源電圧をこのバイアス電圧の分高くしてやる。したがって、電源電圧は233Vになる。
![]() |
| ロードラインから設計した6EM7シングル電力増幅回路 |