
![]() |
3極管電圧増幅回路 |

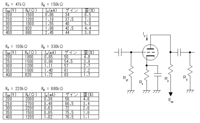
これらの値をそのまま使えば間違いはない。例えば、電源電圧Ebbを250Vにして、負荷抵抗Rpを100kΩに決めれば、カソード抵抗Rkは1.5kΩになり、プレート電流Ipは0.86mAになる。これは上の2つ目の表の上から2番目の値である。ここで、Rg
= 330kΩ とあるのはこの真空管のグリッドリーク抵抗Rg1ではなく、次の段のグリッドリーク抵抗Rgである。では自分のところのグリッドリーク抵抗をいくつにすればよいかであるが、これは次の節で説明する。ここでは470kΩにしておこう。以上で直流設計は終わりである。
![]() |
メーカー推奨値による回路 |
実は、この次の段のグリッドリーク抵抗Rg = 330kΩは交流設計の方に関係していて、ゲインと歪みなどに利いてくる。これが330kΩであれば、この段の電圧増幅のゲインは54.5、フルスイングで入力を入れたときの歪み率が3.9%となることが分かる。それで、結局、回路は右の図のようになる。まんま、当たり前といえば当たり前である。
ところで、使おうとする電源電圧が表の代表値の中に無いときは、2つの値から線形補間して求めてもそれほど間違いはない。例えば電源電圧が225Vだったとすると、200Vとのときと250Vのときの値の中央の値を計算すれば、だいたいOKである。ここで、次段のグリッドリーク抵抗の指定はゲインの算出のためにあるもので、この段の回路の設計とは関係ないので、これは補間しなくてよい。
このようにメーカーが発表している設計値があるときはきちんとすべてデータが揃っており、確実である。あるいは、実際の製品の回路図や信頼できる人の描いた回路図からそのまま持ってきても構わない。真空管ギターアンプの回路図などになると、アメリカのサイトに、もう、ほとんど回路がタダで載っているので、この回路をパクるのもよい。ただし、これにしても電源電圧値が書かれていなかったり、情報不足の場合も多々ある。それより何より、回路の意味も何も分からず単に切り取ってパクる、というのはお勧めはできない。前後の接続によって不具合が起こることもあるからである。とにかく、原理だけはちゃんと理解しておくことが重要だと思う。
さて、このようにメーカー推奨回路や参考回路があるときはいいが、これが無いときは自分で決めることになる。真空管の規格表は今ではインターネットで探せばかなり手に入る。たとえば、次のサイトなど、膨大な量の真空管データシートがpdfで掲載されている。
http://www.shinjo.info/frank/index.html (
Frank's electron Tube Data sheets )
これを実際に見てみると分かるが、データシートに載っている情報のレベルは色々である。推奨設計値がほとんど無い場合もあるし、特性グラフすらも無く、最低限の数値しか記されていないこともある。それはともかく、ここでは、原理編で説明したEp-Ip特性が与えられているものとして、以下に順を追って設計のしかたについて説明して行こう。データシートを見てみると、このEp-Ip特性はだいたい載っているようである。
グリッドリーク抵抗の決め方
グリッドリーク抵抗の役割は原理編で説明した通りである。ここは通常は100kΩから1MΩぐらいの値が使われる。真空管はグリッドに電流が流れないので、入力インピーダンス(グリッドとカソードの間の交流抵抗値)は無限大である。このため、増幅回路自体の入力インピーダンスはグリッドリーク抵抗の値そのものになる。ここで、グリッド抵抗を例えば1kΩとか小さくしてしまうと、増幅回路の入力インピーダンスが1kΩになってしまい、この増幅回路の前の段の動作に影響を与えてしまう。例えば、1kΩの入力に1Vの信号を入れるとすると、入力に流れる電流は
1V
------ = 1mA …(1式)
1kΩ
になる。1mAという電流は、真空管ではけっこう大きい値である。真空管は大電圧、低電流で使うのが基本な素子なのである。例えば、前述のメーカー推奨動作で設計した回路ではプレート電流は0.86mAであった。これでは次の段へ1mAの電流を供給するのはほとんど無理である。こういうことから、グリッドリーク抵抗はかなり大きく取るのが普通である。
![]() |
真空管の熱暴走 |
それでは逆に5MΩとかむやみに大きくするとどうなるかというと、今度は真空管の動作が不安定になる。グリッドはカソードの近くにあり、かなりの温度に熱せられるので、少ないながら自由電子が飛び出しプレートへ吸い込まれる。このため、図のようにプレートからグリッドに向かってグリッド電流という僅かな電流が流れる。この電流はグリッドリーク抵抗を通り、ここに電圧を発生させる。
例えば、1μA(1mAの1/1000)の電流が流れ、グリッドリーク抵抗が1MΩだとすると1Vの電圧を発生するが、これはけっこう大きい電圧で、バイアスの電圧を持ち上げる。バイアス電圧が高くなるとプレート電流は増加する。すると真空管は熱を発し、グリッドリーク電流が1μAより増えて行く。これが繰り返されるとプレート電流は増加し続け、最終的には暴走してしまうのである。これが真空管の熱暴走と呼ばれるものである。
このため、グリッドリーク抵抗はむやみに大きくはできない。この傾向は、出力管のように大電流で高温になる球の場合に顕著になる。メーカーの規格表には、だいたいこのグリッドリーク抵抗の上限が記されているが、それはこのためである。ちなみに、この上限はふつう、固定バイアスと自己バイアスのときの2つの値があり、たいがい固定バイアスの場合の方が値が小さくなっている。これは、原理編で説明したように、自己バイアスは、固定バイアスに比べて安定性がよいためである。
以上のような理屈から、電圧増幅回路のグリッドリーク抵抗は500kΩていどを使うことが多い。
負荷抵抗の決め方
負荷抵抗R3を決めるときは、いくつか留意点があって、それらについて考えながら、結局はエイヤと決める。以下にその留意点を列挙して簡単に説明しよう。
![]() |
交流領域での負荷抵抗 |
このように、ざっと考えてもいくつもの要因が関係しており、こうしないといけない、という決まりは無く、各々の妥協点の適当なところに落ち着くわけだ。下の図の回路では、次段のグリッドリーク抵抗R4が470kΩで、12AX7の内部抵抗は規格表から80kΩ(プレート電圧が100Vのとき)と書いてあるので、負荷抵抗R3を470kΩと80kΩの間の、たとえば180kΩと決めてもよいだろう。
![]() |
| 負荷抵抗値の決め方 |
250V
-------- = 1.4mA …(2式)
180kΩ
これで、次の図のように、EpとIpが250Vと0mAの点と、0Vと1.4mAの点を結んだロードラインが描ける。バイアスの決定は、このロードラインと曲線群のどの交点を使うかという問題になる。
![]() |
| 12AX7の負荷抵抗180kΩのロードライン |
原理編で説明したように、A級増幅の様子は下の図のようになっていて、(B)のように直線性のよい真ん中辺を使うのがふつうである。(A)のように、あまりバイアス電圧を小さく(浅く)すると、信号のピークの部分がグリッド電圧のプラスの領域にかかってしまい、原理編で説明したようにグリッド電流が流れ、歪みの原因になる。グリッド電流はおよそ0.7Vぐらいから流れ始めるので、信号のピークが0.7Vを超えないようにバイアスを決める。このように、想定される入力信号電圧にも目安をつける必要があるわけだ。
![]() |
| バイアス点による歪みの発生 |
Eg0 1.5V
R2 = ------- = -------- = 2.8kΩ …(3式)
Ip0 0.54mA
これでカソード抵抗値が2.8kΩと決定でき、回路の直流設計ができた。
2本のロードライン
図のロードラインは、直流領域でのものである。実は、交流領域ではもう一本のロードラインが加わる。負荷抵抗の決定のところで説明したように、交流領域では真空管の負荷は、負荷抵抗R3と次段のグリッドリーク抵抗R4を並列にした抵抗になる。今、R3が180kΩ、R4が470kΩとすると並列抵抗を計算すると130kΩとなり、交流では負荷抵抗値が小さくなるのである。下の図のように、バイアスの点(A)を通り、130kΩの傾きを持った線を引くと、これが交流領域におけるロードラインになる。入力信号は交流なので、出力には、この交流のロードラインにしたがった出力信号が出てくる。
![]() |
| 交流のロードライン |
![]() |
| 交流と直流のロードラインが離れているとき |
ゲインの計算
次は、こうして設計した回路のゲイン(電圧増幅率)の求め方について説明しよう。
そんなに精度は良くないが、ロードラインから読み取ることができる。下の図を見て欲しい。
![]() |
| ゲインをロードラインから読む |
130kΩの交流のロードライン上で、今、入力信号の電圧が、バイアスのEg = -1.5Vを中心にして上に0.5V、下に0.5V振れたとしよう。すると、上はEg = -1.0Vでこのときのプレート電圧Epが123V、下はEg = -2.0VでこのときのEpが182Vと読める。入力電圧のp-p値は上下に0.5Vずつだから1.0Vp-pで、出力電圧のp-p値はEpの最大と最小の差で59Vなので、ゲインAは次のように計算できる。
182(V) - 123(V) 59(V)
A = ------------------- = -------- = 59 …(4式)
2.0(V) - 1.0(V) 1.0(V)
このように、ゲインは59になることが分かる。このロードラインは実際の回路の動作条件そのものなので、図を読んでいるせいで精度は良くなくともこの値は信頼できる。
RL
A = μ ----------- …(5式)
rp + RL
この式の理由は、下の図を見ると分かる。真空管の入力にeiという電圧の信号が入力されると、増幅率μで増幅されてμ eiになる。これが、図のようにrpとRLで分圧されて、RL側に出力として出てくる、と考えるのである。この理屈および数式から、RLが小さくなるとゲインがどんどん落ちることが分かるだろう。これが、負荷抵抗のところで説明した、負荷抵抗を内部抵抗の2倍以上ぐらいに取る、という根拠である。
![]() |
| 3極管のゲイン計算 |
130
A = 100 ------------ = 62 …(6式)
80 + 130
と計算できる。ロードラインで求めた値59と若干異なっている。実は、計算に使っているμとrpだが、これらは真空管の動作点によって変化する。規格表に載っているμとrpは、あるプレート電流とプレート電圧のときに測定した値で(これらの条件は規格表に明記されている。上記はIp=0.5mA、Ep=100Vのときの値)、実際の動作点では値は変わっている。したがって、前述のロードラインで求めた方が実体で、計算で求めた方は概算になる。実際は、動作点がそれほど極端に離れていなければ、この概算で十分間に合う。 ![]() |
| ロードラインで設計した12AX7電圧増幅回路 |